VTCA
| Availability: | |
|---|---|
| Quantity: | |
Product Introduction
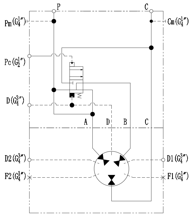
TWO-SPEED VALVE FOR VTCA, specially designed for CA series motor, can choose hydraulic control, electric control, built-in flush valve, etc., provide standard two-speed control valve, but also can be designed according to demand.
Technical Parameters
